English
Español
Português
русский
Français
日本語
Deutsch
tiếng Việt
Italiano
Nederlands
ภาษาไทย
Polski
한국어
Svenska
magyar
Malay
বাংলা ভাষার
Dansk
Suomi
हिन्दी
Pilipino
Türkçe
Gaeilge
العربية
Indonesia
Norsk
تمل
český
ελληνικά
український
Javanese
فارسی
தமிழ்
తెలుగు
नेपाली
Burmese
български
ລາວ
Latine
Қазақша
Euskal
Azərbaycan
Slovenský jazyk
Македонски
Lietuvos
Eesti Keel
Română
Slovenski
मराठी
Srpski језик
Toote omaduses
1, alalisvoolu genereerimine ja alalisvoolu salvestamine, suurem tõhusus ja väiksem kadu, mis sobib PV jaoks ja salvestusvõimsus on suurem
kui koormuse elektrivõrgust väljas stsenaariumid;
2, IP65 kaitse, mis vastab välistingimustes kasutamiseks. Läheduses asuv MPPT suurendab konvergentsi väljundit, mis aitab vältida juhtmestikku
segadus, mida põhjustab mitu fotogalvaanilist (PV) kaablit, mis edastatakse pikkade vahemaade tagant kõik-ühes süsteemi.
3, 200–900 V laia pingevahemikuga fotogalvaaniline sisend, mis toetab tööstuse kõrge vooluga fotogalvaanilise mooduli juurdepääsu.
4 、 Mitme kanaliga MPPT, mis vastab PV paneeli mitme nurga all
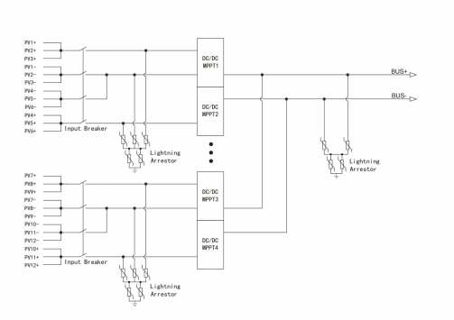
Ühendusskeem

Spetsifikatsioon
| Mudelid | MPPT-8 | MPPT-6 | MPPT-12 | |
| PV-külgliides Parameetrid |
Maksimaalne PV massiivi pinge | 900V | ||
| MPPT pingevahemik | 200V-900V | |||
| MPPT nimipinge vahemik | 560V-900V | |||
| Maksimaalne haruvool | 24A | 20A | ||
| PV sisendstringide number | 8 | 6 | 12 | |
| MPPT arv | 8 | 2 | 4 | |
| Praegune MPPT kohta | 20A | 55A | ||
| Väljundi parameetrid | Pingevahemik | 600-950V | ||
| Nimipinge | Vaikimisi 716,8 V, reguleeritav | |||
| Nimiväljundvool | 118A | 84A | 168A | |
| Nimiväljundvõimsus | 84 kW | 60 kW | 120 kW | |
| Maksimaalne väljundvool | 192A | 120A | 240A | |
| Süsteemi parameetrid | EL linn | 99,4% | ||
| iP klass | IP65 | |||
| Jahutuskontseptsioon | Loomulik konvektsioon | Sundõhujahutus | ||
| Mõõdud (L*S*K) | 550x530x280mm | 630×460×260 mm | 630×460×260 mm | |
| Kaal | 42 kg | 25 kg | 30 kg | |
| Töötemperatuur | -30-55 ℃ | |||
| Toiteallika režiimid | Isetoitel (ilma öise energiatarbimiseta) | |||
| Sideliides | RS485 | |||
