English
Español
Português
русский
Français
日本語
Deutsch
tiếng Việt
Italiano
Nederlands
ภาษาไทย
Polski
한국어
Svenska
magyar
Malay
বাংলা ভাষার
Dansk
Suomi
हिन्दी
Pilipino
Türkçe
Gaeilge
العربية
Indonesia
Norsk
تمل
český
ελληνικά
український
Javanese
فارسی
தமிழ்
తెలుగు
नेपाली
Burmese
български
ລາວ
Latine
Қазақша
Euskal
Azərbaycan
Slovenský jazyk
Македонски
Lietuvos
Eesti Keel
Română
Slovenski
मराठी
Srpski језик |
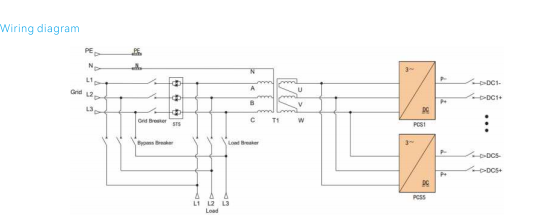
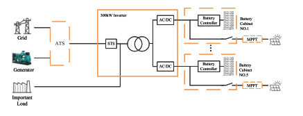
Funktsioon Süsteem kasutab paralleelkonfiguratsioonis modulaarseid inverterseadmeid, kus iga inverteri mooduli alalisvoolu sisend vastab spetsiaalsele akukapile, võimaldades klastripõhise haldamise kõrvaldada vahel ringlevad voolud aku nöörid. AC/DC toitemoodulid toetavad paindlikku kasutuselevõttu nii koguses kui ka nimivõimsus, maksimaalse võimsusega 60 kW mooduleid 5-üksuse paralleelselt konfiguratsiooni. Toitemoodulite vahelduvvoolu väljund edastatakse trafo kaudu isoleeritud väljundaste, mis varustab koormust tugeva vastupidavusega praegune šokk. Hübriid-ESS kasutab alalisvooluga ühendatud fotogalvaanilist integratsiooni, saavutades kõrge energia muundamise tõhusus ja optimeeritud PV-ga võrguväliste stsenaariumide jaoks tootmisvõimsus, mis ületab koormusnõudlust; Välistingimustes kasutatavad MPPT-kontrollerid integreerige kombineerija ja MPPT funktsioonid ühte karastatud korpusesse. Täielik süsteem sisaldab diiselgeneraatori ATS-valikut, 300 kW hübriidi inverter, PV MPPT kontroller ja aku energiasalvestussüsteem.
Funktsioon Süsteem kasutab paralleelkonfiguratsioonis modulaarseid inverterseadmeid, kus iga inverteri mooduli alalisvoolu sisend vastab spetsiaalsele akukapile, võimaldades klastripõhise haldamise kõrvaldada vahel ringlevad voolud aku nöörid. AC/DC toitemoodulid toetavad paindlikku kasutuselevõttu nii koguses kui ka nimivõimsus, maksimaalse võimsusega 60 kW mooduleid 5-üksuse paralleelselt konfiguratsiooni. Toitemoodulite vahelduvvoolu väljund edastatakse trafo kaudu isoleeritud väljundaste, mis varustab koormust tugeva vastupidavusega praegune šokk. Hübriid-ESS kasutab alalisvooluga ühendatud fotogalvaanilist integratsiooni, saavutades kõrge energia muundamise tõhusus ja optimeeritud PV-ga võrguväliste stsenaariumide jaoks tootmisvõimsus, mis ületab koormusnõudlust; Välistingimustes kasutatavad MPPT-kontrollerid integreerige kombineerija ja MPPT funktsioonid ühte karastatud korpusesse. Täielik süsteem sisaldab diiselgeneraatori ATS-valikut, 300 kW hübriidi inverter, PV MPPT kontroller ja aku energiasalvestussüsteem.
Tehnilised andmed |
|||||
| Mudelid | P200TS-400-A | P250TS-400-A | P300TS-400-A | ||
|
DC-külje parameetrid |
Pingevahemik | 650-950 V alalisvoolu | |||
| Moodulipõhine sisendlüliti | 250A | ||||
| Alalisvoolukanalite arv | 3 viis | 4 viis | 5 viis | ||
|
AC-Side parameetrid (võrguga ühendatud) |
Nimiväljundvõimsus | 200 kW | 250 kW | 300 kW | |
| Maksimaalne väljundvõimsus | 220 kW | 275 kW | 330 kW | ||
| Nimiväljundvool | 289A | 361A | 433A | ||
| THDi | <3% | ||||
| Võre tüüp | 3W+N+PE | ||||
| Pingevahemik | 360Vac ~ 440Vac | ||||
| Sagedusvahemik | 45–55 Hz/55–65 Hz | ||||
| Võimsustegur | -1~1 | ||||
|
Saared AC-poolsed parameetrid |
Nimiväljundvõimsus | 200 kW | 250 kW 300 kW | ||
| Nimiväljundpinge | 400 Vac | ||||
| Nimiväljundsagedus | 50/60 Hz | ||||
| THDu | <1% lineaarne, <5% mittelineaarne <1% lineaarne, <5% mittelineaarne | ||||
| Ülekoormusvõime | 110% ülekoormus 10 minutiks110% 10 minutiks | ||||
|
Grid-Islanding Ülekanne ja jaotusseadmed |
Hoolduse möödaviigu lüliti | 400A | 630A | ||
| Võrgulülitid | 630A | 800A | |||
| Laadimislülitid | 400A | 630A | |||
| STS üksus | 577A/400kW | 722A/500kW | |||
| Vahetusaeg | <20 ms | ||||
|
Süsteemi parameetrid |
Maksimaalne efektiivsus | 97,5% | |||
| Töötemperatuur | -30–55 ℃ – 30–55 ℃ (temperatuur üle 40 ℃) | ||||
| Suhteline õhuniiskus | 0–95% suhteline õhuniiskus, 0–95% suhteline niiskus, mittekondenseeruv | ||||
| Mõõdud (L*D*K) | 1300 × 1050 × 2050 mm | ||||
| Kaal | 1400 kg | 1700 kg 1800 kg | |||
| IP-aste | IP21 IP21 (täiskomplekt) | ||||
| Müra | <70dB | ||||
| Ekraan | LCD puutetundlik ekraan | ||||
| BMS side | SAAB | ||||
| EMS side | TCP/IP | ||||