English
Español
Português
русский
Français
日本語
Deutsch
tiếng Việt
Italiano
Nederlands
ภาษาไทย
Polski
한국어
Svenska
magyar
Malay
বাংলা ভাষার
Dansk
Suomi
हिन्दी
Pilipino
Türkçe
Gaeilge
العربية
Indonesia
Norsk
تمل
český
ελληνικά
український
Javanese
فارسی
தமிழ்
తెలుగు
नेपाली
Burmese
български
ລາວ
Latine
Қазақша
Euskal
Azərbaycan
Slovenský jazyk
Македонски
Lietuvos
Eesti Keel
Română
Slovenski
मराठी
Srpski језик
Toote omadused
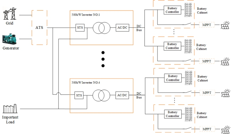
1. Koormustel üle 500 kW on soovitatav kasutada suure võimsusega 500 kW ühe üksuse energiasalvestiga inverterit, mis on võimeline toetama kuni nelja paralleelühenduste komplekti, saavutades koguvõimsuse 2 MW;
2. Mitme 500 kW süsteemi paralleelsel kasutamisel ja STSacrossi erinevate 500 kW inverterite jaotamisel on ülioluline tagada, et kaabli pikkus võrgu ühenduspunktist koormuse ühenduspunktini oleks ühtlane;
3. Hübriid-ESS kasutab alalisvooluga ühendatud fotogalvaanilist integratsiooni, mis saavutab kõrge energia muundamise efektiivsuse ja on optimeeritud võrguväliste stsenaariumide jaoks, kus PV tootmisvõimsus ületab koormuse nõudlust; Välistingimustes hinnatud MPPT
kontrollerid integreerivad kombineerija ja MPPT funktsioonid ühte karastatud korpusesse. Täielik süsteem sisaldab diiselgeneraatori ATS-valikut, 300 kW hübriidmuundurit, PV MPPT kontrollerit ja akut
energia salvestamise süsteem.


Spetsifikatsioon
| Mudelid | P500TS-400-A | |
|
DC-külje parameetrid |
Pingevahemik | 500-950V |
| Maksimaalne vool | 1128A | |
| Nimiväljundvõimsus | 500 kW | |
|
AC-Side parameetrid (võrguga ühendatud) |
Maksimaalne väljundvõimsus | 550 kW |
| Nimiväljundvool | 722A | |
| THDi | <3% | |
| Võre tüüp | 3W+N+PE | |
| Pingevahemik | 360VAC ~ 440VAC | |
| Sagedusvahemik | 45–55 Hz/55–65 Hz | |
| Võimsustegur | -1~1 | |
| Nimiväljundvõimsus | 500 kW | |
|
Vahelduvvoolu külgparameetrid (võrguväline) |
Nimiväljundpinge | 400V |
| Nimiväljundsagedus | 50/60 Hz | |
| THDu | <1%lineaarne koormus,<5%mittelineaarne koormus | |
| Ülekoormusvõime | 110% 10 minutit | |
| Hoolduse möödaviigu lüliti | 1250A | |
|
Off-Grid lüliti ja lüliti konfiguratsioon |
DC lüliti | 1250A |
| Laadimislüliti | 1250A | |
| Võrgulüliti | 1250A | |
| STS üksus | 1155A/800kW | |
| Vahetusaeg | <20 ms | |
|
Süsteemi parameetrid |
Tippefektiivsus | 97,5% |
| Töötemperatuur | -30~55 ℃ (langeb üle 40 ℃) | |
| Suhteline õhuniiskus | 0 kuni 95% suhteline õhuniiskus, mittekondenseeruv | |
| Mõõdud (L*D*K) | 1600 × 1050 × 2050 mm | |
| Kaal | 2700 kg | |
| IP-aste | IP21 IP21 (täielik masin) | |
| Müra | <70dB | |
| Ekraan | LCD | |
| BMS side | SAAB | |
| EMS side | TCP/IP | |